03 ford f150 wiring diagram

Windshield Wiper Motor Wiring - Ford Truck Enthusiasts Forums we have 9 Pictures about Windshield Wiper Motor Wiring - Ford Truck Enthusiasts Forums like Grey plug under dash - what is it? - Page 2 - F150online Forums, Ford F150 4.6 3v Wiring Diagram and also 95 F150 fuel pump wiring problem. Please help.... - Ford F150 Forum. Here you go:

Windshield Wiper Motor Wiring - Ford Truck Enthusiasts Forums

Windshield Wiper Motor Wiring - Ford Truck Enthusiasts Forums www.ford-trucks.com

wiper ford wiring motor schematic windshield speed diagram 1966 jeep cj truck trucks

How To Change A Fuel Pump On A 2002 Ford F150

How To Change A Fuel Pump On A 2002 Ford F150 tp-tutor.blogspot.com

[LD_7135] New 2009 2014 Ford F 150 Vacuum Control Solenoid Locking Iwe

[LD_7135] New 2009 2014 Ford F 150 Vacuum Control Solenoid Locking Iwe atota.emba.mohammedshrine.org

iwe solenoid f150online

Ford F150 4.6 3v Wiring Diagram

Ford F150 4.6 3v Wiring Diagram diagramweb.net

wiring 3v expedition justanswer

Grey Plug Under Dash - What Is It? - Page 2 - F150online Forums

Grey plug under dash - what is it? - Page 2 - F150online Forums www.f150online.com

dash under plug grey diagram f150 wiring 2003 location f150online 1997

95 F150 Fuel Pump Wiring Problem. Please Help.... - Ford F150 Forum

95 F150 fuel pump wiring problem. Please help.... - Ford F150 Forum www.f150forum.com

fuel wiring 95 f150 pump problem tank please help rear ford

1991 Ford Truck F150 1/2 Ton P/U 4WD 4.9L MFI 6cyl | Repair Guides

1991 Ford Truck F150 1/2 ton P/U 4WD 4.9L MFI 6cyl | Repair Guides www.autozone.com

mirror 2005 wiring diagram mirrors door heated window autozone fig frontier nissan repair

No Power To Ac Clutch Relay - Ford F150 Forum - Community Of Ford Truck

no power to ac clutch relay - Ford F150 Forum - Community of Ford Truck www.f150forum.com

ac clutch f150 relay compressor fuse power ford wiring 2008 kick wire f150forum diode truck

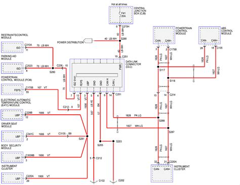
CanBUS Interface - How To Wire? - Ford Truck Enthusiasts Forums

CanBUS Interface - How To Wire? - Ford Truck Enthusiasts Forums www.ford-trucks.com

interface canbus wire ford

Interface canbus wire ford. 1991 ford truck f150 1/2 ton p/u 4wd 4.9l mfi 6cyl. 95 f150 fuel pump wiring problem. please help....

close