03 trailblazer engine wiring harness

Exhaust cam position actuator solenoid - Chevy TrailBlazer, TrailBlazer we have 9 Pictures about Exhaust cam position actuator solenoid - Chevy TrailBlazer, TrailBlazer like Cub Cadet Rzt Wiring - Cub Cadet Zero Turn Mower Model 17arcacn010 Cub, How to Replace Rear Window Regulator 02-09 Chevy Trailblazer | 1A Auto and also Exhaust cam position actuator solenoid - Chevy TrailBlazer, TrailBlazer. Here it is:

Exhaust Cam Position Actuator Solenoid - Chevy TrailBlazer, TrailBlazer

Exhaust cam position actuator solenoid - Chevy TrailBlazer, TrailBlazer forums.trailvoy.com

position actuator solenoid cam exhaust trailblazer gmc envoy chevy leak ss gm

Cub Cadet Rzt Wiring - Cub Cadet Zero Turn Mower Model 17arcacn010 Cub

Cub Cadet Rzt Wiring - Cub Cadet Zero Turn Mower Model 17arcacn010 Cub murrayshah.blogspot.com

cadet 1550 rzt mower

Wiring Diagram For 2005 Gmc Envoy | Schematic And Wiring Diagram

Wiring Diagram For 2005 Gmc Envoy | schematic and wiring diagram schematicandwiringdiagram.blogspot.com

envoy 330ci

2000 Chevy Trailblazer Wiring Diagram - Wiring Forums

2000 Chevy Trailblazer Wiring Diagram - Wiring Forums wiringforums.com

wiring chevy trailblazer

Wiring Harnes For 1965 Pontiac Gto

Wiring Harnes For 1965 Pontiac Gto controlpanel.netlify.app

gto harnes

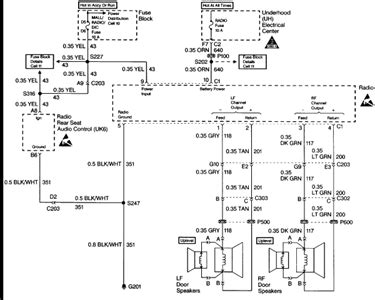
2007 Chevy Trailblazer Wiring Diagram - Cars Wiring Diagram

2007 Chevy Trailblazer Wiring Diagram - Cars Wiring Diagram yosalsero.blogspot.com

wiring diagram trailblazer chevy radio 2005 stereo 2007 fixya harness 2002 wire wires factory

2005 Ford Explorer Wiring Diagram - Wiring Diagram

2005 ford explorer wiring diagram - Wiring Diagram wiringdiagram.2bitboer.com

fixya trac

07 Trailblazer SS LS2 Wiring Harness - LS1TECH

07 Trailblazer SS LS2 wiring harness - LS1TECH ls1tech.com

ss trailblazer ls2 harness wiring ls1tech engine camaro

How To Replace Rear Window Regulator 02-09 Chevy Trailblazer | 1A Auto

How to Replace Rear Window Regulator 02-09 Chevy Trailblazer | 1A Auto www.1aauto.com

window rear trailblazer chevy regulator replace gmc envoy power install

Envoy 330ci. 07 trailblazer ss ls2 wiring harness. 2005 ford explorer wiring diagram

close