05 club car wiring diagram

86 club car runs with Key off we have 9 Pics about 86 club car runs with Key off like 86 club car runs with Key off, 2003 Polaris Predator 500 Wiring Diagram - Wiring Schema and also THE LINCOLN MARK VII CLUB • View topic - 1992 Mark Vii ECU connector. Read more:

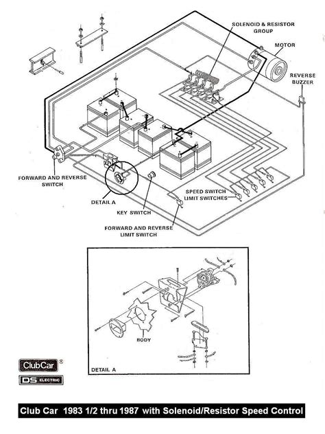
86 Club Car Runs With Key Off

86 club car runs with Key off www.buggiesgonewild.com

club diagram wiring key solenoid electric diagrams runs 1987 volt 1983 speed

RV.Net Open Roads Forum: 6V Battery Up-grade

RV.Net Open Roads Forum: 6V Battery Up-grade www.rv.net

batteries wiring battery parallel series diagram 6v wire configuration volt rv 6volt multiple together solar 12v charger cart four golf

THE LINCOLN MARK VII CLUB • View Topic - 1992 Mark Vii ECU Connector

THE LINCOLN MARK VII CLUB • View topic - 1992 Mark Vii ECU connector www.thelincolnmarkviiclub.org

ecu 1992 pinout wiring eec vii

Mp9 On ABF - The Volkswagen Club Of South Africa

Mp9 on ABF - The Volkswagen Club of South Africa www.vwclub.co.za

mp9 abf volkswagen injectors

2003 Polaris Predator 500 Wiring Diagram - Wiring Schema

2003 Polaris Predator 500 Wiring Diagram - Wiring Schema wiringschema101.blogspot.com

Electric Club Car Wiring Diagrams - Page 2

Electric Club Car wiring diagrams - Page 2 www.buggiesgonewild.com

wiring club electric diagram mcor diagrams 2003 cc series

Club Car Villager 6 Modified To Idle; Starter-Gen Not Recharging

Club Car Villager 6 modified to idle; Starter-Gen not recharging www.buggiesgonewild.com

club villager battery diagram idle wiring recharging modified starter gen gas

Mp 9 Wiring Diagram Please - The Volkswagen Club Of South Africa

mp 9 wiring diagram please - The Volkswagen Club of South Africa vwclub.co.za

diagram throttle body wiring mp9 pinout ady control idle re valve mp please location volkswagen africa club south

1994 Club Car Wiring Diagram

1994 Club Car Wiring Diagram www.chanish.org

wiring 1993

86 club car runs with key off. Wiring club electric diagram mcor diagrams 2003 cc series. 1994 club car wiring diagram

close