1.5l honda engine diagram

ALTERNATOR BELT (1.5L) for Honda Cars CIVIC 1.5 SPORT 5 Doors 6 speed we have 9 Pictures about ALTERNATOR BELT (1.5L) for Honda Cars CIVIC 1.5 SPORT 5 Doors 6 speed like Honda Extends Warranty to Address 1.5L Gas-Oil Dilution Problem | WardsAuto, Pin on car and also Pin on car. Read more:

ALTERNATOR BELT (1.5L) For Honda Cars CIVIC 1.5 SPORT 5 Doors 6 Speed

ALTERNATOR BELT (1.5L) for Honda Cars CIVIC 1.5 SPORT 5 Doors 6 speed www.parts-honda.uk

Pin On Car

Pin on car www.pinterest.com

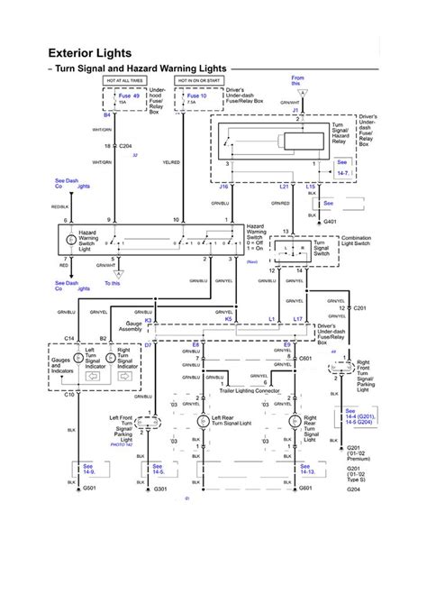
wiring honda diagram civic 1995 diagrams repair schematic electrical turn autozone hazard lights accord distributor 2002 signal circuit guide guides

Honda Civic Sport 2017 Wiring Diagram | Auto Repair Manual Forum

Honda Civic Sport 2017 Wiring Diagram | Auto Repair Manual Forum www.autorepairmanuals.ws

autoepcservice wiper diagrams

Honda Jazz Engine Diagram

Honda Jazz Engine Diagram autozs.blogspot.com

manifold rb1

Bestseller: 1nz Engine Diagram

Bestseller: 1nz Engine Diagram actbookdownloads.blogspot.com

1nz bestseller

Bestseller: 1nz Fe Engine Diagram

Bestseller: 1nz Fe Engine Diagram actbookdownloads.blogspot.com

diagram toyota engine carparts jp 1nz bestseller cylinder block list

Honda Extends Warranty To Address 1.5L Gas-Oil Dilution Problem | WardsAuto

Honda Extends Warranty to Address 1.5L Gas-Oil Dilution Problem | WardsAuto www.wardsauto.com

5l dilution x70 proton wardsauto economical carbay imgcdnblog injected direta comando injeção eficiência válvula variável economia aversa

Chevy Malibu 2016 Review-The Best Mid-size Sedan With Good Gas Mileage

Chevy Malibu 2016 Review-The best mid-size sedan with good gas mileage us.reviewtalks.com

malibu

1994 Honda Civic Fuel Pump Wiring Diagram - Wiring Diagram

1994 Honda Civic Fuel Pump Wiring Diagram - Wiring Diagram wiringdiagram.2bitboer.com

civic hondacivicforum imageservice

Wiring honda diagram civic 1995 diagrams repair schematic electrical turn autozone hazard lights accord distributor 2002 signal circuit guide guides. 1994 honda civic fuel pump wiring diagram. Chevy malibu 2016 review-the best mid-size sedan with good gas mileage

close