1978 truck wiring

Wiring help on 1978 F250 - Ford Truck Enthusiasts Forums we have 9 Images about Wiring help on 1978 F250 - Ford Truck Enthusiasts Forums like Wiring help on 1978 F250 - Ford Truck Enthusiasts Forums, 1978 F150 Final Details - Ford F150 Forum - Community of Ford Truck Fans and also 78 f150 ignition wiring help - Ford Truck Enthusiasts Forums. Read more:

Wiring Help On 1978 F250 - Ford Truck Enthusiasts Forums

Wiring help on 1978 F250 - Ford Truck Enthusiasts Forums www.ford-trucks.com

f350 elec

Dash Wiring Harness All, 1966 Chevrolet Nova/ Chevy II

Dash Wiring Harness All, 1966 Chevrolet Nova/ Chevy II www.autoobsession.com

harness wiring chevy nova dash chevrolet ii 1963 1966 autoobsession

1978 F150 Final Details - Ford F150 Forum - Community Of Ford Truck Fans

1978 F150 Final Details - Ford F150 Forum - Community of Ford Truck Fans www.f150forum.com

f150 marchal

78 F150 Ignition Wiring Help - Ford Truck Enthusiasts Forums

78 f150 ignition wiring help - Ford Truck Enthusiasts Forums www.ford-trucks.com

1979 Trans Am Wiring Diagram

1979 Trans Am Wiring Diagram wirediagram.blogspot.com

maliburacing defrost

1987 Bronco Power To Fuel Pump Issue - Ford Truck Enthusiasts Forums

1987 bronco power to fuel pump issue - Ford Truck Enthusiasts Forums www.ford-trucks.com

fuel pump 1987 bronco ford issue power

Best Wiring Diagram For 1977? - Ford Truck Enthusiasts Forums

best wiring diagram for 1977? - Ford Truck Enthusiasts Forums www.ford-trucks.com

wiring 1977 ford diagram truck forums

1973-1979 Ford Truck 460 V-8 Swap

1973-1979 Ford Truck 460 V-8 Swap www.blueovaltrucks.com

460 swap ford 1978 1979 truck 1973 brackets 2wd blueovaltrucks tech

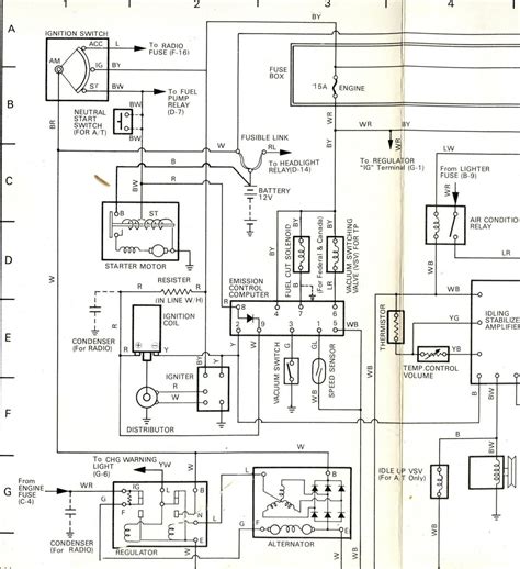
1978 Complete Factory Wiring Diagram - General Discussion - Toyota

1978 Complete Factory Wiring Diagram - General Discussion - Toyota toyotamotorhome.org

1979 trans am wiring diagram. 1973-1979 ford truck 460 v-8 swap. F350 elec

close