1979 gmc truck wiring diagram

1972 Chevy Truck Wiring Diagram - 1971 Chevy Truck Wiring Diagram in we have 9 Pictures about 1972 Chevy Truck Wiring Diagram - 1971 Chevy Truck Wiring Diagram in like 1979 Gmc Truck 454 Engine Wiring Diagram - Wiring Forums, 1979 Chevy Truck Wiring Diagram | Wiring Diagram and also 1978 Chevy GMC C6 4-53 Diesel Wiring Diagram C60 C6000 Truck Chevrolet. Here it is:

1972 Chevy Truck Wiring Diagram - 1971 Chevy Truck Wiring Diagram In

1972 Chevy Truck Wiring Diagram - 1971 Chevy Truck Wiring Diagram in www.pinterest.com

1972

1978 Chevy GMC C6 4-53 Diesel Wiring Diagram C60 C6000 Truck Chevrolet

1978 Chevy GMC C6 4-53 Diesel Wiring Diagram C60 C6000 Truck Chevrolet www.ebay.com

wiring diagram gmc chevy 1978 truck chevrolet

[WIRING DIAGRAM] 1987 Chevy C70 Wiring Diagram Full HD Version

[WIRING DIAGRAM] 1987 Chevy C70 Wiring Diagram Full HD version livrarialivre.voices-karaoke.fr

wiring diagram c70 chevy 1987

Herein We Can See The 1981-1987 Chevrolet V8 Trucks Electrical Wiring

Herein we can see the 1981-1987 Chevrolet V8 Trucks electrical wiring www.pinterest.com

diagram wiring chevy trucks truck 1987 electrical chevrolet gmc 1981 1984 s10 1986

Wiring Diagram On 76 Chevy Truck - Wiring Diagram Schemas

Wiring Diagram On 76 Chevy Truck - Wiring Diagram Schemas wiringschemas.blogspot.com

wiring diagram ford ignition truck firewall f250 maverick electrical chevy 1977 forums diagrams

1979 Chevy Truck Wiring Diagram | Wiring Diagram

1979 Chevy Truck Wiring Diagram | Wiring Diagram annawiringdiagram.com

silverado 4x4 k10 k5 jamaisvu lowe wiringg wirings 1972

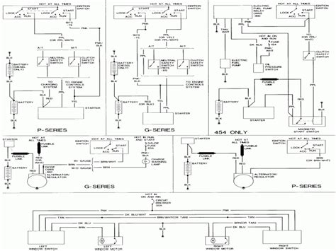
1979 Gmc Truck 454 Engine Wiring Diagram - Wiring Forums

1979 Gmc Truck 454 Engine Wiring Diagram - Wiring Forums wiringforums.com

wiring diagram chevy truck gmc ignition switch van 1979 1981 c10 starter engine p30 chevrolet system starting chev 1978 box

1979 Gmc Truck 454 Engine Wiring Diagram - Wiring Forums

1979 Gmc Truck 454 Engine Wiring Diagram - Wiring Forums wiringforums.com

diagram gmc 1979 fuse van block wiring engine boating iboats truck

1966 All Makes All Models Parts | 14515C | 1966 Chevrolet C/K Pickup

1966 All Makes All Models Parts | 14515C | 1966 Chevrolet C/K Pickup www.classicindustries.com

wiring diagram 1966 pickup truck chevrolet parts diagrams expand

1978 chevy gmc c6 4-53 diesel wiring diagram c60 c6000 truck chevrolet. Diagram wiring chevy trucks truck 1987 electrical chevrolet gmc 1981 1984 s10 1986. 1979 gmc truck 454 engine wiring diagram

close