1985 oldsmobile stereo wiring diagram

Wiring Diagram For 1986 Cutlas - Complete Wiring Schemas we have 8 Pics about Wiring Diagram For 1986 Cutlas - Complete Wiring Schemas like Wiring Diagram For 1986 Cutlas - Complete Wiring Schemas, 84 El Camino Wiring Diagram - Wiring Diagram Networks and also 57 Proton Waja Radio Wiring Diagram - Wiring Diagram Harness. Here you go:

Wiring Diagram For 1986 Cutlas - Complete Wiring Schemas

Wiring Diagram For 1986 Cutlas - Complete Wiring Schemas wiring89.blogspot.com

olds lesabre cutlas

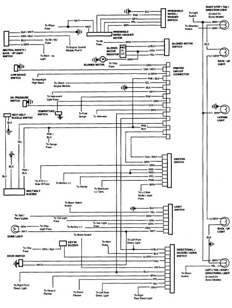
84 El Camino Wiring Diagram - Wiring Diagram Networks

84 El Camino Wiring Diagram - Wiring Diagram Networks kelvin-okl.blogspot.com

diagram camino el wiring chevy wrg 1968 1970

MCM 165 MERCRUISER MANUAL - Auto Electrical Wiring Diagram

MCM 165 MERCRUISER MANUAL - Auto Electrical Wiring Diagram electrowiring.herokuapp.com

mercruiser gen perfprotech 3lx

57 Proton Waja Radio Wiring Diagram - Wiring Diagram Harness

57 Proton Waja Radio Wiring Diagram - Wiring Diagram Harness wiringdiagramharnessideas.blogspot.com

waja rsx australia

1994 Oldsmobile Cutlass Supreme 5.0 Egr Vacuum Diagram - Oil Pan For

1994 Oldsmobile Cutlass Supreme 5.0 Egr Vacuum Diagram - Oil Pan For geneskyla.blogspot.com

firing fixya cutlass oldsmobile intrigue hemi

1985 K5 Blazer Fuse Box Diagram

1985 K5 Blazer Fuse Box Diagram diagrambox.web.app

[DIAGRAM] 1984 Cutlass Wiring Diagram FULL Version HD Quality Wiring

[DIAGRAM] 1984 Cutlass Wiring Diagram FULL Version HD Quality Wiring marketwiring.biorygen.it

cutlass oldsmobile 1984 ciera cutl

Wire Harness For Buick 1958 - Complete Wiring Schemas

Wire Harness For Buick 1958 - Complete Wiring Schemas wiring89.blogspot.com

Diagram camino el wiring chevy wrg 1968 1970. Firing fixya cutlass oldsmobile intrigue hemi. 57 proton waja radio wiring diagram

close