1986 dodge ram wiring diagram

1986 Dodge Ram 50 That Won't Start we have 9 Images about 1986 Dodge Ram 50 That Won't Start like 1986 Dodge Ram 50 That Won't Start, 1986 ramcharger alternator wirig and also 16+ 1993 Chevy Truck Wiring Diagram - Truck Diagram - Wiringg.net. Here you go:

1986 Dodge Ram 50 That Won't Start

1986 Dodge Ram 50 That Won't Start www.mightyram50.net

wiring dodge ram 1986 diagram 1500 coil pickup start engine truck won diagrams repair fig autozone

1987 Dodge Ram 50 Wiring Diagram - Style Guru: Fashion, Glitz, Glamour

1987 Dodge Ram 50 Wiring Diagram - Style Guru: Fashion, Glitz, Glamour www.stylesgurus.com

dodge diagram wiring wire ram 1987 starter help relay

16+ 1993 Chevy Truck Wiring Diagram - Truck Diagram - Wiringg.net

16+ 1993 Chevy Truck Wiring Diagram - Truck Diagram - Wiringg.net www.pinterest.com

diagram wiring chevy silverado 1993 truck

28 57 Vortec Engine Wiring Diagram - Worksheet Cloud

28 57 Vortec Engine Wiring Diagram - Worksheet Cloud worksheetscloud.blogspot.com

tpi vortec z28 awhile excessive

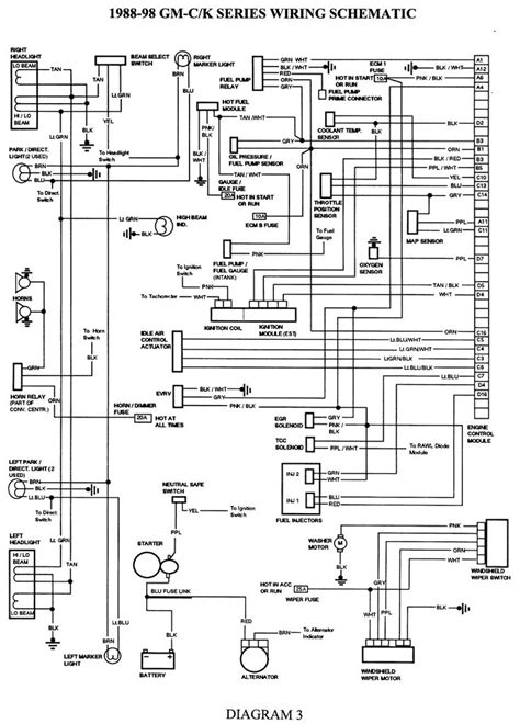
403 - Forbidden | Electrical Diagram, Chevy 1500, Electrical Wiring Diagram

403 - Forbidden | Electrical diagram, Chevy 1500, Electrical wiring diagram www.pinterest.com

wiring diagram gmc chevy

16+ 1986 Dodge Truck Wiring Diagram - Truck Diagram - Wiringg.net

16+ 1986 Dodge Truck Wiring Diagram - Truck Diagram - Wiringg.net www.pinterest.com

wiringg wagon 1986 clowns

77 W100 Wiper Motor Wiring - Dodge Ram, Ramcharger, Cummins, Jeep

77 w100 wiper motor wiring - Dodge Ram, Ramcharger, Cummins, Jeep ramchargercentral.com

wiper wiring motor w100 dodge ram ramcharger truck connector durango mopar cummins jeep

Fuse For 1990 Ford Econoline Box - Wiring Diagram

Fuse For 1990 Ford Econoline Box - Wiring Diagram cars-trucks24.blogspot.com

oldsmobile diagram 88 1998 fuse box olds fan heater wiring 1990 serpentine belt ford econoline working chevy relay blower 1995

1986 Ramcharger Alternator Wirig

1986 ramcharger alternator wirig www.justanswer.com

alternator 1986 ramcharger dodge wiring wirig charging wire

28 57 vortec engine wiring diagram. Wiring diagram gmc chevy. 1986 dodge ram 50 that won't start

close