1991 civic stereo wiring

Honda Integra Wiring Diagram | Honda civic engine, Honda civic, Wiring we have 9 Pictures about Honda Integra Wiring Diagram | Honda civic engine, Honda civic, Wiring like 1991 Honda Civic Electrical Wiring Diagram and Schematics | Free Wiring, 91 Honda Civic Stereo Wiring Harness | schematic and wiring diagram and also 91 Honda Civic Stereo Wiring Harness | schematic and wiring diagram. Here you go:

Honda Integra Wiring Diagram | Honda Civic Engine, Honda Civic, Wiring

Honda Integra Wiring Diagram | Honda civic engine, Honda civic, Wiring www.pinterest.com.mx

honda diagram wiring civic harness prelude engine door 1997 detailed electrical integra obd1 hatch 2000 helms manual gsr ecu pls

91 Honda Civic Stereo Wiring Harness | Schematic And Wiring Diagram

91 Honda Civic Stereo Wiring Harness | schematic and wiring diagram schematicandwiringdiagram.blogspot.com

diagram accord crf450x rc51 schematics fuse prelude 1996 interlock mainetreasurechest yfz schematic z2 harnes

23 1995 Honda Civic Radio Wiring Diagram

23 1995 Honda Civic Radio Wiring Diagram jocelyncutabhew.blogspot.com

Wiring Diagrams - Honda-Tech

Wiring diagrams - Honda-Tech honda-tech.com

wiring diagrams honda civic crx tech ef 2009 1988 1991

2007 Dodge Charger Radio Wiring Diagram - Drivenheisenberg

2007 Dodge Charger Radio Wiring Diagram - Drivenheisenberg drivenheisenberg.blogspot.com

chrysler schematic stereo 300c srt8 charger uconnect sebring avenger phase easywiring diagramsample diagramtemplate 300cforums techtalk

42 2004 Honda Civic Radio Wiring Diagram - Wiring Diagram Source Online

42 2004 Honda Civic Radio Wiring Diagram - Wiring Diagram Source Online apiccolisogni.blogspot.com

imageservice honda2 2003

1991 Honda Civic Electrical Wiring Diagram And Schematics | Free Wiring

1991 Honda Civic Electrical Wiring Diagram and Schematics | Free Wiring ricardolevinsmorales.com

wiring diagram civic honda 1991 schematics electrical diagrams wiper motor lesabre schematic buick 1998 1999 repair fig light autozone

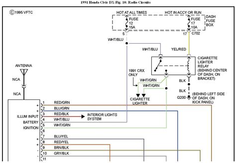
1991 Honda Civic Radio Wiring Diagram: Ok I Have A Radio I'm

1991 Honda Civic Radio Wiring Diagram: Ok I Have a Radio I'm www.2carpros.com

civic crf450x rc51 prelude interlock 1985 mainetreasurechest yfz z2 harnes

[DIAGRAM In Pictures Database] 2018 Honda Civic Wiring Diagram Just

[DIAGRAM in Pictures Database] 2018 Honda Civic Wiring Diagram Just online.casalamm.edu.mx

honda civic wiring diagram system headlight 2002 cruise control

1991 honda civic radio wiring diagram: ok i have a radio i'm. Wiring diagrams honda civic crx tech ef 2009 1988 1991. 91 honda civic stereo wiring harness

close