1995 chevy silverado wiring diagram

1995 Silverado Z71stopped working, not lighting up the indicator on we have 9 Pics about 1995 Silverado Z71stopped working, not lighting up the indicator on like 1995 Silverado Z71stopped working, not lighting up the indicator on, 0996b43f80231a23 To 1995 Gmc Sierra Wiring Diagram | Electrical diagram and also I have a 1995 Chevy Silverado 5.7 engine. The blower motor will not. Here it is:

1995 Silverado Z71stopped Working, Not Lighting Up The Indicator On

1995 Silverado Z71stopped working, not lighting up the indicator on www.justanswer.com

1995 silverado wiring z71 wheel diagram chevy actuator 1500 drive chevrolet transmission shifting working circuit trans

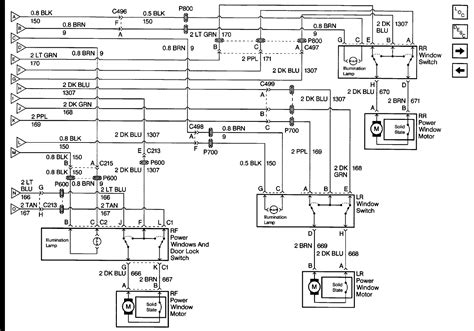
I Need The Wiring Diagram For The Power Windows, Door Locks, Mirror For

I need the wiring diagram for the power windows, door locks, mirror for www.justanswer.com

windows chevy wiring diagram power gmc 2008 door silverado 1999 tahoe yukon mirror 1500 locks mirrors truck schematic fuse box

1998 Chevy Silverado Headlight Wiring Diagram

1998 Chevy Silverado Headlight Wiring Diagram www.chanish.org

k1500 sonoma 2500hd s15 modification

I Have A 1995 Chevy Silverado 5.7 Engine. The Blower Motor Will Not

I have a 1995 Chevy Silverado 5.7 engine. The blower motor will not www.justanswer.com

chevy 1995 silverado 1500 chevrolet blower motor question ask own scott name

[DN_5046] 2003 Silverado Brake Line Diagram Download Diagram

[DN_5046] 2003 Silverado Brake Line Diagram Download Diagram sulf.gresi.mohammedshrine.org

chevy diagram brake line silverado k10 trifive fuel 2000 wiring 1986 schematic 2002 2003 avalanche fuse rear library box routing

Wiring Diagram: 33 Rear Drum Brake Diagram Chevy

Wiring Diagram: 33 Rear Drum Brake Diagram Chevy melissappos.blogspot.com

brake rear drum diagram chevy

Wiring Diagram: 30 1986 Chevy C10 Fuse Box Diagram

Wiring Diagram: 30 1986 Chevy C10 Fuse Box Diagram melissappos.blogspot.com

1986 chevy truck silverado diagram pickup fuse box wiring battery c10 wires were reversed justanswer

0996b43f80231a23 To 1995 Gmc Sierra Wiring Diagram | Electrical Diagram

0996b43f80231a23 To 1995 Gmc Sierra Wiring Diagram | Electrical diagram www.pinterest.com

signal 1989 toggle s10 harness vortec imageservice tonetastic tbi gmt400 woes brake suburban

Chevy 4l60e Wiring Diagram 2003

Chevy 4l60e Wiring Diagram 2003 hestiahelper.blogspot.com

wiring diagram chevy 4l60 silverado 4l80 swap 2003

I need the wiring diagram for the power windows, door locks, mirror for. 1986 chevy truck silverado diagram pickup fuse box wiring battery c10 wires were reversed justanswer. Chevy 1995 silverado 1500 chevrolet blower motor question ask own scott name

close