1995 ford aerostar wiring diagram

Get 95 ford F150 Ignition Wiring Diagram Download we have 9 Pictures about Get 95 ford F150 Ignition Wiring Diagram Download like Case 1845c Wiring Diagram 1995 - Wiring Diagram Schema, wiring diagram for lights in a 1986 Ford F150 | 1986 F150 351W wiring and also Get 95 ford F150 Ignition Wiring Diagram Download. Read more:

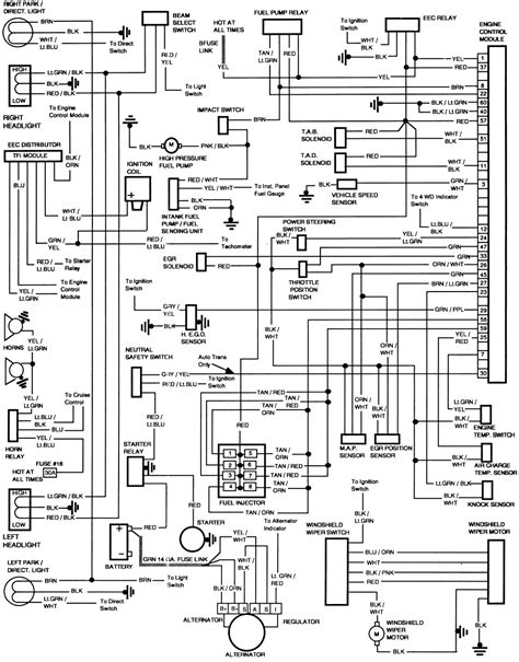
Get 95 Ford F150 Ignition Wiring Diagram Download

Get 95 ford F150 Ignition Wiring Diagram Download worldvisionsummerfest.com

wiring diagram ford ignition f150 starter 95 1986 460 motor 1997 wire f350 engine ballast coil resistor relay 1983 solenoid

96 Ford Windstar Fuse Diagram - Wiring Diagram Networks

96 Ford Windstar Fuse Diagram - Wiring Diagram Networks kelvin-okl.blogspot.com

windstar diagram fuse pcm 1996 imageservice f150

1993 Ford Aerostar Fuse Box Diagram - Wiring Diagram Schema

1993 Ford Aerostar Fuse Box Diagram - Wiring Diagram Schema kiona-machit.blogspot.com

diagram fuse aerostar 1993 ford box wiring library

Case 1845c Wiring Diagram 1995 - Wiring Diagram Schema

Case 1845c Wiring Diagram 1995 - Wiring Diagram Schema wiring88.blogspot.com

1845c

Concise Repair: 1990 Ford F150 Ignition Switch Wiring Diagram

Concise Repair: 1990 Ford F150 Ignition Switch Wiring Diagram conciserepair.blogspot.com

readingrat headlight justanswer schematics solenoid concise wiringforums alternator

I Have A 1995 Ford Explorer. I Attempted To Hook Up Trailer Wires To It

I have a 1995 ford explorer. i attempted to hook up trailer wires to it www.justanswer.com

explorer ford 1995 trailer brake turn lights wiring diagram wire 95 switch dash signals shorted 2009 side under any

97 Ford Aerostar Fuse Box - Wiring Diagram Networks

97 Ford Aerostar Fuse Box - Wiring Diagram Networks kelvin-okl.blogspot.com

aerostar fuse ford box wiring diagram 1997

Wiring Diagram For Lights In A 1986 Ford F150 | 1986 F150 351W Wiring

wiring diagram for lights in a 1986 Ford F150 | 1986 F150 351W wiring www.pinterest.com

diagram f150 wiring ford 1986 1995 electrical 351w 2007 engine lights rod ranger electric radio trailer 2004

Ford 5600 Wiring Diagram - Wiring Diagram

Ford 5600 Wiring Diagram - Wiring Diagram cars-trucks24.blogspot.com

ignition powermaster 8n workmaster

Wiring diagram ford ignition f150 starter 95 1986 460 motor 1997 wire f350 engine ballast coil resistor relay 1983 solenoid. Wiring diagram for lights in a 1986 ford f150. Diagram f150 wiring ford 1986 1995 electrical 351w 2007 engine lights rod ranger electric radio trailer 2004

close