1995 nissan maxima wiring diagram

Vacuum Hose: Vacuum Hose Diagram 2000 Nissan Maxima we have 9 Pictures about Vacuum Hose: Vacuum Hose Diagram 2000 Nissan Maxima like 1995 Nissan Pickup Wiring Diagram, 2005 Nissan Pathfinder Radio Wiring Diagram / 1995 Nissan Altima Stereo and also 1995 Nissan Pickup Wiring Diagram. Here you go:

Vacuum Hose: Vacuum Hose Diagram 2000 Nissan Maxima

Vacuum Hose: Vacuum Hose Diagram 2000 Nissan Maxima vacuumhosenikuishi.blogspot.com

hose

2005 Nissan Pathfinder Radio Wiring Diagram / 1995 Nissan Altima Stereo

2005 Nissan Pathfinder Radio Wiring Diagram / 1995 Nissan Altima Stereo aguza-miaulaaa.blogspot.com

component altima outletdiagram

Nissan Maxima Bolt. ALTERNATOR, ASSY - 11916-JA10C | HYMAN BROS. NISSAN

Nissan Maxima Bolt. ALTERNATOR, ASSY - 11916-JA10C | HYMAN BROS. NISSAN nissanparts.penceauto.com

alternator maxima ja10c

Alternator Wiring Diagram Nissan Pathfinder - Wiring Diagram Networks

Alternator Wiring Diagram Nissan Pathfinder - Wiring Diagram Networks kelvin-okl.blogspot.com

pathfinder jx35 alternator infiniti

1995 Nissan Pickup Wiring Diagram

1995 Nissan Pickup Wiring Diagram www.chanish.org

hardbody fixya 240sx pathfinder

2000 Infiniti I30 Cooling Fan Wiring Diagram - Wiring Forums

2000 Infiniti I30 Cooling Fan Wiring Diagram - Wiring Forums wiringforums.com

fan 2000 nissan diagram wiring radiator cooling quest i30 infiniti replaced temp sensor today justanswer px source

Nissan Maxima Alternator Bracket. FITTING, ROOM, ENGINE - 24239-5Y705

Nissan Maxima Alternator Bracket. FITTING, ROOM, ENGINE - 24239-5Y705 parts.statelinenissan.com

connector knock fusible condenser egi 2y010

1993 Nissan D21 Wiring Diagram - Wiring Diagram Schemas

1993 Nissan D21 Wiring Diagram - Wiring Diagram Schemas wiringschemas.blogspot.com

d21

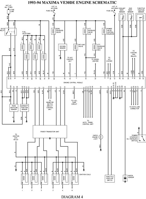
| Repair Guides | Wiring Diagrams | Wiring Diagrams | AutoZone.com

| Repair Guides | Wiring Diagrams | Wiring Diagrams | AutoZone.com www.autozone.com

schematic engine diagrams wiring 1993 autozone repair fig maxima vg30de

2000 infiniti i30 cooling fan wiring diagram. Vacuum hose: vacuum hose diagram 2000 nissan maxima. 2005 nissan pathfinder radio wiring diagram / 1995 nissan altima stereo

close