1995 nissan pickup engine diagram

97 Nissan Pickup Engine Wiring Diagram / 97 Nissan Starter Wiring we have 9 Pictures about 97 Nissan Pickup Engine Wiring Diagram / 97 Nissan Starter Wiring like I have a 1995 Nissan Pickup 4x4 2.4L engine. I rebuilt the engine and, 1995 Nissan Truck Starter Wiring Diagrams - Wiring Forums and also Nissan D21 Fuse Box. Here you go:

97 Nissan Pickup Engine Wiring Diagram / 97 Nissan Starter Wiring

97 Nissan Pickup Engine Wiring Diagram / 97 Nissan Starter Wiring wiring07.blogspot.com

z24 d21 mainetreasurechest diagrams networks 2carpros

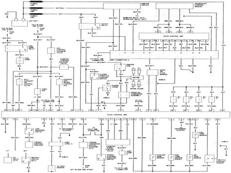
86 Nissan Pickup Wiring Diagram - Wiring Diagram Networks

86 Nissan Pickup Wiring Diagram - Wiring Diagram Networks kelvin-okl.blogspot.com

nissan diagram wiring d21 pickup 1989 z24 4x4 engine harness relay body wire hard injector side power 1995 truck

Nissan D21 Fuse Box

Nissan D21 Fuse Box 12.exam-qa.de

hardbody d21 gwellwood wipers hideous 1995 wellwood horrors

1995 Nissan Truck Starter Wiring Diagrams - Wiring Forums

1995 Nissan Truck Starter Wiring Diagrams - Wiring Forums wiringforums.com

nissan wiring diagram pickup 1995 fuse hazard questions lights where headlight pick

Nissan Hardbody Alternator Wiring Diagram - Wiring Diagram

Nissan Hardbody Alternator Wiring Diagram - Wiring Diagram wiringdiagram.2bitboer.com

alternator xterra hardbody nissanpartsdeal ka24de vg33e d21u xe

Part 1 -Ignition System Wiring Diagram (1990-1995 3.0L Nissan Pick Up

Part 1 -Ignition System Wiring Diagram (1990-1995 3.0L Nissan Pick Up easyautodiagnostics.com

diagram nissan ignition wiring pathfinder 0l 1993 1994 pick 1990 system 1995 1991 quest relay starter pickup v6 1992 location

2000 Nissan/Datsun Truck Frontier Pickup 2WD 3.3L MFI SOHC 6cyl

2000 Nissan/Datsun Truck Frontier Pickup 2WD 3.3L MFI SOHC 6cyl www.autozone.com

engine schematic vq30de fig autozone 1995 diagrams wiring nissan

Nissan Cabstar Fuse Box Layout - Wiring Diagram Schemas

Nissan Cabstar Fuse Box Layout - Wiring Diagram Schemas wiringschemas.blogspot.com

cabstar

I Have A 1995 Nissan Pickup 4x4 2.4L Engine. I Rebuilt The Engine And

I have a 1995 Nissan Pickup 4x4 2.4L engine. I rebuilt the engine and www.justanswer.com

nissan diagram wiring pickup 1995 d21 fuel pump engine 4x4 fuse 4l pick electrical where rebuilt developed crank cylinder hardbody

Part 1 -ignition system wiring diagram (1990-1995 3.0l nissan pick up. Nissan d21 fuse box. 86 nissan pickup wiring diagram

close