1996 grand cherokee stereo wiring

Alt Wiring Harnes 2004 Jeep Grand Cherokee - Wiring Diagram Networks we have 8 Pics about Alt Wiring Harnes 2004 Jeep Grand Cherokee - Wiring Diagram Networks like 10+ 1996 Jeep Grand Cherokee Engine Wiring Diagram | Jeep grand, Wiring Schematic For 2006 Jeep Liberty - Wiring Diagram Schemas and also Repair Guides Within 98 Jeep Cherokee Wiring Diagram In 2004 Grand. Here you go:

Alt Wiring Harnes 2004 Jeep Grand Cherokee - Wiring Diagram Networks

Alt Wiring Harnes 2004 Jeep Grand Cherokee - Wiring Diagram Networks kelvin-okl.blogspot.com

jeep grand cherokee wiring 2004 diagram charging harnes alt garage 2006

89 Jeep Cheerokee Limited Radio Wireing

89 jeep cheerokee limited radio wireing www.jeepz.com

cheerokee wireing antenna pwr

38 2011 Jeep Grand Cherokee Radio Wiring Diagram - Wiring Diagram

38 2011 Jeep Grand Cherokee Radio Wiring Diagram - Wiring Diagram sitzone.blogspot.com

Wiring Schematic For 2006 Jeep Liberty - Wiring Diagram Schemas

Wiring Schematic For 2006 Jeep Liberty - Wiring Diagram Schemas wiringschemas.blogspot.com

cherokee jeep wiring diagram grand 2002 2004 laredo 2003 stereo 2006 schematic radio asd fuse fan 1996 liberty wj 2001

1996-1998 Jeep Grand Cherokee Factory Receiver AM FM Radio Tape CD

1996-1998 Jeep Grand Cherokee Factory Receiver AM FM Radio Tape CD www.hifisoundconnection.com

factory radio jeep cherokee grand 1996 cd 1997 receiver tape fm player am 1998 2001 1932

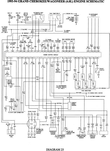
10+ 1996 Jeep Grand Cherokee Engine Wiring Diagram | Jeep Grand

10+ 1996 Jeep Grand Cherokee Engine Wiring Diagram | Jeep grand www.pinterest.com

laredo chrysler wiringg camaro

Collection Of 1997 Jeep Grand Cherokee Wiring Diagram Download

Collection Of 1997 Jeep Grand Cherokee Wiring Diagram Download worldvisionsummerfest.com

cherokee wiring diagram grand jeep 1997 1996 diagrams guides repair

Repair Guides Within 98 Jeep Cherokee Wiring Diagram In 2004 Grand

Repair Guides Within 98 Jeep Cherokee Wiring Diagram In 2004 Grand www.pinterest.es

cherokee wiring

Factory radio jeep cherokee grand 1996 cd 1997 receiver tape fm player am 1998 2001 1932. 89 jeep cheerokee limited radio wireing. 38 2011 jeep grand cherokee radio wiring diagram

close