1998 f150 stereo wiring diagram

28 1989 Ford F150 Radio Wiring Diagram - Wiring Database 2020 we have 9 Pics about 28 1989 Ford F150 Radio Wiring Diagram - Wiring Database 2020 like Pin by Jordi Garcias on Mas de mec in 2020 | Ford explorer, Ford, 2018 F150 Speaker Wiring Diagram - Wiring Diagram and Schematic Role and also 2001 Ford Taurus Stereo Wiring Diagram 2000 At | Trailer wiring diagram. Here you go:

28 1989 Ford F150 Radio Wiring Diagram - Wiring Database 2020

28 1989 Ford F150 Radio Wiring Diagram - Wiring Database 2020 rachelleogyaz.blogspot.com

55 1998 Dodge Ram 1500 Trailer Wiring Harness - Wiring Diagram Plan

55 1998 Dodge Ram 1500 Trailer Wiring Harness - Wiring Diagram Plan rebablakuf.blogspot.com

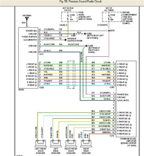
2018 F150 Speaker Wiring Diagram - Wiring Diagram And Schematic Role

2018 F150 Speaker Wiring Diagram - Wiring Diagram and Schematic Role diagram.tntuservices.com

justanswer

2005 F150 Wiring Diagram

2005 F150 Wiring Diagram www.chanish.org

wiring imageservice explorer w211 veloster

Ford Focus Wire Diagram | Ford Focus Car, Blaupunkt Car Audio, Diagram

Ford Focus Wire Diagram | Ford focus car, Blaupunkt car audio, Diagram www.pinterest.com

focus stereo fuse f250 blaupunkt expedition trac imageservice schematic floraoflangkawi ricks roc

2001 Ford Taurus Stereo Wiring Diagram 2000 At | Trailer Wiring Diagram

2001 Ford Taurus Stereo Wiring Diagram 2000 At | Trailer wiring diagram www.pinterest.com

silverado untpikapps detoxicrecenze wellread harnes pioneer

2016 Vw Jetta Radio Wiring Diagram

2016 Vw Jetta Radio Wiring Diagram www.chanish.org

metra brake

Pin By Jordi Garcias On Mas De Mec In 2020 | Ford Explorer, Ford

Pin by Jordi Garcias on Mas de mec in 2020 | Ford explorer, Ford www.pinterest.com

ford expedition

Fuse Box Diagram For 2002 Ford Explorer Sport Trac | Schematic And

Fuse Box Diagram For 2002 Ford Explorer Sport Trac | schematic and schematicandwiringdiagram.blogspot.com

fuse e350 trac radiowiring

2001 ford taurus stereo wiring diagram 2000 at. Metra brake. Focus stereo fuse f250 blaupunkt expedition trac imageservice schematic floraoflangkawi ricks roc

close