1999 chevy venture engine diagram

1999 Olds Delta 88 we have 9 Pictures about 1999 Olds Delta 88 like 1999 Chevy Venture Vacuum Lines: Where Can I Find a Diagram for a, Chevrolet Venture 1998 Compartment Electrical Circuit Wiring Diagram and also 1999 Chevy Venture Vacuum Lines: Where Can I Find a Diagram for a. Read more:

1999 Olds Delta 88

1999 Olds Delta 88 www.tankbig.com

1999 oldsmobile eighty delta eight olds momentcar

Repair Guides

Repair Guides www.autozone.com

2001 oil level switch engine generator repair yukon suburban 2005 denali control tahoe guide coolant fig 1l controls escalade

1999 Chevy Venture Vacuum Lines: Where Can I Find A Diagram For A

1999 Chevy Venture Vacuum Lines: Where Can I Find a Diagram for a www.2carpros.com

venture chevy vacuum hose lines 1999 pcv montana valve pontiac diagram engine chevrolet vac sponsored links graphic where

1999 Jeep Wrangler YJ Distribution Fuse Box Diagram – Auto Fuse Box Diagram

1999 Jeep Wrangler YJ Distribution Fuse Box Diagram – Auto Fuse Box Diagram www.autofuseboxdiagram.com

yj

2002 Chevy Malibu Cooling System Diagram

2002 Chevy Malibu Cooling System Diagram coveredinsparkles.blogspot.com

routing

Chevrolet Venture 1998 Compartment Electrical Circuit Wiring Diagram

Chevrolet Venture 1998 Compartment Electrical Circuit Wiring Diagram www.carfusebox.com

diagram venture chevrolet wiring compartment circuit electrical 1998 fuse box carfusebox engine

30 2000 Chevy Silverado Heater Hose Diagram - Wiring Diagram Database

30 2000 Chevy Silverado Heater Hose Diagram - Wiring Diagram Database kovodym.blogspot.com

removal hhr

Spark Plug Wiring Diagram Chevy 4.3 V6 — UNTPIKAPPS

Spark Plug Wiring Diagram Chevy 4.3 V6 — UNTPIKAPPS www.untpikapps.com

diagram wiring spark plug v6 chevy solara vortec 1999 wire untpikapps center

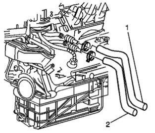
29 2002 Chevy Venture Heater Hose Diagram - Free Wiring Diagram Source

29 2002 Chevy Venture Heater Hose Diagram - Free Wiring Diagram Source mickygurlz.blogspot.com

Removal hhr. Chevrolet venture 1998 compartment electrical circuit wiring diagram. Venture chevy vacuum hose lines 1999 pcv montana valve pontiac diagram engine chevrolet vac sponsored links graphic where

close