1986 toyota pickup wiring diagram

14 1986 Toyota Pickup Wiring Diagram - Free Wiring Diagram Source we have 9 Images about 14 1986 Toyota Pickup Wiring Diagram - Free Wiring Diagram Source like 14 1986 Toyota Pickup Wiring Diagram - Free Wiring Diagram Source, 1989 Toyota Pickup Headlight Wiring Diagram - WIRGRAM and also 14 1986 Toyota Pickup Wiring Diagram - Free Wiring Diagram Source. Here you go:

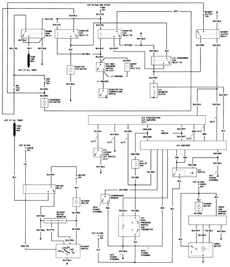
14 1986 Toyota Pickup Wiring Diagram - Free Wiring Diagram Source

14 1986 Toyota Pickup Wiring Diagram - Free Wiring Diagram Source mickygurlz.blogspot.com

wiring diagram toyota pickup diagrams compressor autozone repair ct110 ac honda 1986 1988 repairguide chevrolet source 450sl guides mercedes guide

22r Carburetor Vacuum Diagram - Wiring Diagram

22r Carburetor Vacuum Diagram - Wiring Diagram jumpstarterdiscount.blogspot.com

22r 1984

Tail Light Wiring Diagram For 1986 Toyotum Pickup - Complete Wiring Schemas

Tail Light Wiring Diagram For 1986 Toyotum Pickup - Complete Wiring Schemas wiring89.blogspot.com

wiring flatbed yotatech

1994 Toyota Pickup 22re Vacuum Diagram - Free Wiring Diagram

1994 Toyota Pickup 22re Vacuum Diagram - Free Wiring Diagram jalishamav.blogspot.com

22re autozone

32 22r Carburetor Vacuum Diagram - Wiring Diagram Database

32 22r Carburetor Vacuum Diagram - Wiring Diagram Database kovodym.blogspot.com

22r carburetor diagram vacuum carb hoses california wiring

1986 Toyotum Ignition Switch Wiring

1986 Toyotum Ignition Switch Wiring artedaprincesona.blogspot.com

ignition repair toyotum

| Repair Guides | Engine Electrical | Ignition Coil | AutoZone.com

| Repair Guides | Engine Electrical | Ignition Coil | AutoZone.com www.autozone.com

wiring diagram ignition toyota coil igniter ford van 1986 engine schematic cressida switch electrical esa 1990 1983 autozone 1970 fig

1989 Toyota Pickup Headlight Wiring Diagram - WIRGRAM

1989 Toyota Pickup Headlight Wiring Diagram - WIRGRAM wirgram.blogspot.com

f350

[WA_9752] 22Re Vacuum Diagram Schematic Wiring

[WA_9752] 22Re Vacuum Diagram Schematic Wiring ponge.skat.peted.phae.mohammedshrine.org

diagram vacuum wiring pickup 22re toyota 1981 3vze engine fsm ideal need 1991 electronics basic diagrams schematic mitsubishi yotatech forums

[wa_9752] 22re vacuum diagram schematic wiring. Wiring flatbed yotatech. Wiring diagram ignition toyota coil igniter ford van 1986 engine schematic cressida switch electrical esa 1990 1983 autozone 1970 fig

close