1992 gmc truck wiring diagram

1994 Chevy 5 7 Tbi Wiring Harness - Style Guru: Fashion, Glitz, Glamour we have 9 Pictures about 1994 Chevy 5 7 Tbi Wiring Harness - Style Guru: Fashion, Glitz, Glamour like 1995 Topkick Wiring Diagram - Wiring Diagram Schema, 1994 Chevy 5 7 Tbi Wiring Harness - Style Guru: Fashion, Glitz, Glamour and also 1994 Chevy 5 7 Tbi Wiring Harness - Style Guru: Fashion, Glitz, Glamour. Read more:

1994 Chevy 5 7 Tbi Wiring Harness - Style Guru: Fashion, Glitz, Glamour

1994 Chevy 5 7 Tbi Wiring Harness - Style Guru: Fashion, Glitz, Glamour www.stylesgurus.com

tbi unplugged pigtail

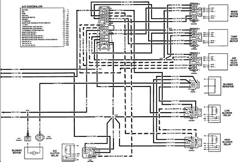
1995 Topkick Wiring Diagram - Wiring Diagram Schema

1995 Topkick Wiring Diagram - Wiring Diagram Schema kiona-machit.blogspot.com

topkick c1500 2006 sierra kodiak schematic

Chevy Knock Sensor Wiring Harnes - Wiring Diagram

Chevy Knock Sensor Wiring Harnes - Wiring Diagram cars-trucks24.blogspot.com

knock s10 vortec sensors bank harnes idle

Chevy 350 Tbi Wiring - Wiring Diagram

Chevy 350 Tbi Wiring - Wiring Diagram cars-trucks24.blogspot.com

tbi

15+ 1989 Chevy Truck Fuse Box Diagram1989 Chevy Silverado 1500 Fuse Box

15+ 1989 Chevy Truck Fuse Box Diagram1989 chevy silverado 1500 fuse box www.pinterest.com

z28 c1500 autozone firebird pontiac fuses pickup iroc repairguide c10 fusebox

Chevy Headlight Switch Wiring Diagram

Chevy Headlight Switch Wiring Diagram hestiahelper.blogspot.com

switch harnes ez

Chevy K1500 Fuse Box - Wiring Diagram

Chevy K1500 Fuse Box - Wiring Diagram cars-trucks24.blogspot.com

chevy brake 1500 wiring fuse location box controller gmc k1500 1992 under van truck suburban prodigy needatrailer tech power installation

2005 Dodge Ram 1500 Tail Light Wiring Diagram | Schematic And Wiring

2005 Dodge Ram 1500 Tail Light Wiring Diagram | schematic and wiring schematicandwiringdiagram.blogspot.com

silverado cj7 electrical w5500 motogurumag f250 easywiring

[SW_0965] Chevy 4 3 Vortec Wiring Diagram Get Free Image About Wiring

[SW_0965] Chevy 4 3 Vortec Wiring Diagram Get Free Image About Wiring onica.bepta.mohammedshrine.org

vacuum wiring diagram chevy diagrams astro s10 repair engine line 2001 blazer autozone vortec guides evap tahoe routing hose jimmy

Chevy knock sensor wiring harnes. 1995 topkick wiring diagram. Chevy 350 tbi wiring

close