1993 nissan maxima engine diagram

Nissan V6 3000 Twin Cam 24 Valve Specs we have 9 Pictures about Nissan V6 3000 Twin Cam 24 Valve Specs like 1993 Nissan Pickup in 2020 | Electrical wiring diagram, Toyota, Toyota, Pin on Nissan murano and also Nissan D21 Fuel Pump Wiring Diagram - Wiring Diagram Schemas. Here it is:

Nissan V6 3000 Twin Cam 24 Valve Specs

Nissan V6 3000 Twin Cam 24 Valve Specs sappllagg.blogspot.com

300zx 1991 enthusiastnetwork sappllagg autoevolution

Nissan Maxima Engine Mount (Rear) - 11320-5Y800 | ZEIGLER NISSAN ORLAND

Nissan Maxima Engine Mount (Rear) - 11320-5Y800 | ZEIGLER NISSAN ORLAND www.zeiglernissanoforlandparkparts.com

maxima engine

Nissan Maxima Engine Control Module. System, Electrical - 23710-6Y314

Nissan Maxima Engine Control Module. System, Electrical - 23710-6Y314 nissanparts.penceauto.com

2y000 detonation knock oxygen

1993 Nissan Pickup In 2020 | Electrical Wiring Diagram, Toyota, Toyota

1993 Nissan Pickup in 2020 | Electrical wiring diagram, Toyota, Toyota www.pinterest.com

oxygen supra ecm e38 k8 1991 untpikapps automotorpad

Nissan Altima Disc Brake Pad Set (Rear). PARKING, CALIPER - D4060-JA00J

Nissan Altima Disc Brake Pad Set (Rear). PARKING, CALIPER - D4060-JA00J parts.nissanusa.com

nissan brake rear altima parking pad d4060 disc diagram caliper parts

Toyota 4af Engine Repair Manual

Toyota 4af Engine Repair Manual kandelnyai.blogspot.com

4af

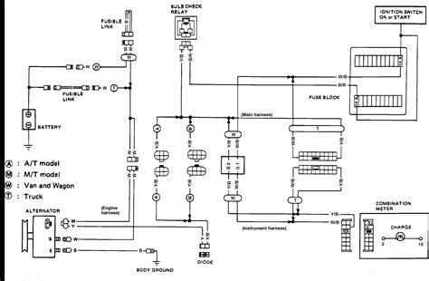
Nissan Hardbody Alternator Wiring Diagram - Wiring Diagram

Nissan Hardbody Alternator Wiring Diagram - Wiring Diagram wiringdiagram.2bitboer.com

wiring nissan diagram alternator d21 hardbody imgur pickup 1994

Nissan D21 Fuel Pump Wiring Diagram - Wiring Diagram Schemas

Nissan D21 Fuel Pump Wiring Diagram - Wiring Diagram Schemas wiringschemas.blogspot.com

nissan terrano diagram wiring fuel r20e manual pump d21 ii

Pin On Nissan Murano

Pin on Nissan murano www.pinterest.com

nissan wiring diagram radio versa maxima frontier sentra 2009 stereo 1997 murano rogue engine 1996 wiringg lh6 controller brake googleusercontent

Maxima engine. Nissan brake rear altima parking pad d4060 disc diagram caliper parts. Nissan maxima engine mount (rear)

close