1996 cadillac deville engine diagram

How do I change the serpentine belt on my 1996 Cadillac DeVille we have 9 Pictures about How do I change the serpentine belt on my 1996 Cadillac DeVille like How do I change the serpentine belt on my 1996 Cadillac DeVille, Cadillac Deville 1995 Main Fuse Box/Block Circuit Breaker Diagram and also Cadillac SLS 1996 Right Hood Fuse Box/Block Circuit Breaker Diagram. Read more:

How Do I Change The Serpentine Belt On My 1996 Cadillac DeVille

How do I change the serpentine belt on my 1996 Cadillac DeVille www.justanswer.com

cadillac belt deville diagram serpentine 1996 96 engine 2000 change 2005 timing replace replacement 2001 tension chevy breaker bar catera

Cadillac Deville Exhaust System Hanger - 25687438 | GM Parts Wholesale

Cadillac Deville Exhaust System Hanger - 25687438 | GM Parts Wholesale www.jackcartergmpartsdepot.ca

converter allante eldorado

4 6 Northstar Engine Diagram 2 | My Wiring DIagram

4 6 northstar Engine Diagram 2 | My Wiring DIagram detoxicrecenze.com

engine northstar diagram north star v8 cadillac wiring detoxicrecenze

Cadillac Deville 1995 Main Fuse Box/Block Circuit Breaker Diagram

Cadillac Deville 1995 Main Fuse Box/Block Circuit Breaker Diagram www.carfusebox.com

cadillac deville fuse diagram relay 1995 1993 wiring box fuel circuit pump trunk located motor starter main where electrical pull

28 2003 Cadillac Deville Radio Wiring Diagram - Wiring Diagram List

28 2003 Cadillac Deville Radio Wiring Diagram - Wiring Diagram List skippingtheinbetween.blogspot.com

deville srx escalade justanswer

Cadillac Northstar Starter - Hammasjones

Cadillac Northstar Starter - Hammasjones hammasjones.blogspot.com

northstar fiero

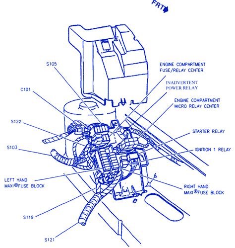
Cadillac SLS 1996 Right Hood Fuse Box/Block Circuit Breaker Diagram

Cadillac SLS 1996 Right Hood Fuse Box/Block Circuit Breaker Diagram www.carfusebox.com

diagram hood cadillac fuse under sls 1996 box right 1997 breaker circuit block carfusebox

Wiring Diagram PDF: 01 Cadillac Deville Wire Diagram

Wiring Diagram PDF: 01 Cadillac Deville Wire Diagram wiring-pdf.blogspot.com

sts alternator eldorado seville cts alldata dts srx engines

| Repair Guides | Vacuum Diagrams | Vacuum Diagrams | AutoZone.com

| Repair Guides | Vacuum Diagrams | Vacuum Diagrams | AutoZone.com www.autozone.com

diagram hose engine vacuum escalade eldorado 1991 repair seville routing wiring 9l diagrams guides autozone fig

Cadillac deville 1995 main fuse box/block circuit breaker diagram. | repair guides. Engine northstar diagram north star v8 cadillac wiring detoxicrecenze

close